リフォームメニュー
お客様の声
施工事例
リフォームの流れ
企業情報
スタッフ紹介
スタッフブログ
住まいのお悩み解決策
お問い合わせ
よくある質問
プライバシーポリシー
採用情報
サイトマップ
CLOSE
トステム トーヨーサッシ 玄関ドア ベルモント(製品名) シリンダーを探しています。まだ、ありますか??|
吹田市・豊中市|玄関・窓リフォーム・内窓取付|井上昇商店|
ホーム
スタッフブログ
大木
トステム トーヨーサッシ 玄関ドア ベルモント(製品名) シリンダーを探しています。まだ、ありますか??
ホーム
新着情報
ご対応エリア
MENU
リフォームメニュー
お客様の声
施工事例
リフォームの流れ
企業情報
スタッフ紹介
スタッフブログ
採用情報
トステム トーヨーサッシ 玄関ドア ベルモント(製品名) シリンダーを探しています。まだ、ありますか??
simple
トステム トーヨーサッシ
玄関ドア ベルモント と言う名のドア シリンダーが調子悪いので まだ交換できますか?とお問い合わせがありました。
調べてみます
simple
玄関ドアの シリンダーの姿は・・・
上下に2個 シリンダーが付いています。
1本のキーで 2個のシリンダーが開けれるタイプです。
simple
玄関ドアのフロントの部分 大事なキーワードを探します。
MIWA(ミワ)-LE02 と刻印されています。
ミワ製の鍵が付いています。
(
他にも 鍵メーカーがあります。
ここ重要ポイント!です
)
columns
トステム ベルモント
玄関ドア
メンイの箱錠
トステム ベルモント
玄関ドア
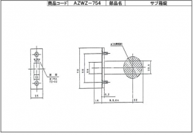
サブの箱錠
トステム ベルモント
玄関ドア
シリンダー錠セット
columns
現在の LIXIL 部品カタログより
上の写真 メンイ箱錠
と
下の写真 サブ箱錠
現在の LIXIL 部品カタログより
シリンダー錠セット ブロンズ色
texts
トステム トーヨーサッシ 玄関ドア ベルモント(製品名)
1983年4月~1991年12月まで販売されていた玄関ドアです。年数がかなりたっていましたから
正直、
心配はありましたが・・・
商品が見つかりました。
お客様に、見積もりを提出致しま~す
玄関ドアは1日でお取替えできます!YKK APドアリモ
お家の断熱工事は窓がオススメ!内窓 取付や窓のカバー工事は1日で完了します!
豊中市 玄関や廊下の暑さ・寒さは玄関ドアの交換で解決できる?
吹田市 ♪LIXIL製 室内ドア用 スマートロック【Ohea Lock】のご紹介♪
吹田市 浴室内での事故に備える ~家族の万一の時、迅速に助けられますか?~
豊中市 勝手口ドアの防犯ポイントと具体的な対策について
豊中市 ☆FIX窓を開閉できる窓にリフォームしたい☆
戸建ての玄関もハンズフリーで自動で開く時代がやってきました!YKK AP M30自動ドア
吹田市 ☆先進的窓リノベ2025事業~よくあるご質問~☆
吹田市 ☆窓から始める断熱リフォーム☆
2025年11月(6)
2025年10月(5)
2025年9月(9)
2025年8月(9)
2025年7月(9)
2025年6月(8)
2025年5月(8)
2025年4月(7)
2025年3月(8)
2025年2月(10)
2025年1月(11)
2024年12月(13)
2024年11月(12)
2024年10月(12)
2024年9月(12)
2024年8月(12)
2024年7月(13)
2024年6月(18)
2024年5月(16)
2024年4月(9)
2024年3月(16)
2024年2月(17)
2024年1月(15)
2023年12月(16)