リフォームメニュー
お客様の声
施工事例
リフォームの流れ
企業情報
スタッフ紹介
スタッフブログ
住まいのお悩み解決策
お問い合わせ
よくある質問
プライバシーポリシー
採用情報
サイトマップ
CLOSE
大木|
吹田市・豊中市|玄関・窓リフォーム・内窓取付|井上昇商店|
ホーム
スタッフブログ
大木
ホーム
新着情報
ご対応エリア
MENU
リフォームメニュー
お客様の声
施工事例
玄関・勝手口
内窓
インテリア
サッシカバー工事
雨戸・シャッター
エクステリア
木製建具
網戸
屋根工事
その他の工事
リフォームの流れ
企業情報
スタッフ紹介
スタッフブログ
採用情報
大木
2017年01月19日
トステム玄関ドアバーハンドル錠の鍵交換したい。大阪府吹田市
大木
simple
トステム玄関ドア バーハンドル錠の交換をしたい。
外部側の写真です。
ツーロック(シリンダー2ヶ所鍵がかかる)ワンキー(キー1本)仕様です。
2ヶ所のシリンダーを1本のキーで開けれるタイプを
ツーロックワンキーと呼びます。
simple
トステム玄関ドア ハーハンドル錠 室内側の写真です。
simple
フロント部分 上部
ミワの刻印あり。PA-01
simple
フロント部分 下部
ミワの刻印あり。
simple
写真より、トステム時代の玄関ドア プレナスと判明しました。
バーハンドルごと全部取替えの見積もりと・・・・
simple
ドア判別シートの資料です。
simple
シリンダーのみ交換の見積もりも提出致します。
品番は、2ロック DCZZ0101 です。
シリンダーのみ交換の場合は、ハンドル・箱錠に不具合ない場合のみ交換可能です。
texts
お家の事でお悩み事がございましたら・・・なんなりとお問い合わせくださいませ。
見積りは、無料となっております。
2017年01月18日
マンション玄関ドアのミワ補助錠交換のご依頼を頂きました。大阪府箕面市
大木
simple
マンション玄関ドアのミワ補助錠交換のご依頼を頂きました。下見の資料をもとに探しました所…MIWA75NDA面付補助錠(横型)は、廃盤商品でした。
大阪府箕面市
simple
MIWA(美和)のカタログより
現在購入可能な面付け錠を探します。
simple
古い補助錠(横型)はそのままにして、もう一つ新しい補助錠(縦型)を穴をあけて取付する方法が考えられます。(取付可能であれば鍵メーカーは、どこでもOKです)
simple
姿図にて寸法をチェック致します。
なぜかと言うと廃盤(横型)の補助錠と新しく取付ける場合の補助錠(縦型)形状が違うためビス穴などが見えてしまいますので、新しく穴を開ける、この方法を提案致します。
texts
鉄扉穴を開けての工事になります。大きな音もします、玄関ドアの外側は、共有部分となりますので、外観が変わります。
分譲マンションにお住いの場合は、管理組合様の許可が必要になる場合がございますので、まずお調べ下さいませ。
お見積りは無料です、お気軽にお問い合わせくださいませ。
2017年01月17日
LIXIL WL 玄関収納(靴箱)の扉の丁番の調子が悪いので交換してください。大阪府吹田市
大木
simple
トステム(LIXIL)玄関収納(靴箱)の扉の丁番の調子が悪いので交換をしてください。
とご依頼がありました。
大阪府吹田市現場
simple
現場下見の写真より ラベルからメーカー様に問い合わせ探してみたところ、WLモダンクラシック(2001年5月~2004年8月)に製造された玄関収納でした。
丁番カップ 品番:MDT111
丁番座 品番:MDQ856
texts
毎日使う靴箱、ご家族が多いとあける回数も多くなりますので、丁番も傷んできます。
開け閉めに違和感を感じましたら・・・部品交換のサインです。
早めの交換をお勧めいたします。
お家のお悩み事・ご質問などございましたら、お問い合わせくださいませ。
見積りは、無料となっております。
2017年01月16日
YKK 鋼製雨戸の動きが悪い 見てください。大阪府吹田市
大木
simple
YKK 鋼製雨戸の動きが悪い 見てください。
とご依頼をいただきました。営業マンが下見に伺い資料をもとに探していきます。
かなり古いYKKのアルミ雨戸板です。間違いなく昭和の商品です。
大阪府吹田市
simple
現場に、伺い雨戸の調子を見ます。
雨戸を外し戸車の下見をし 寸法します。
古い製品です、交換用の雨戸戸車があるか調べて見ます。
simple
simple
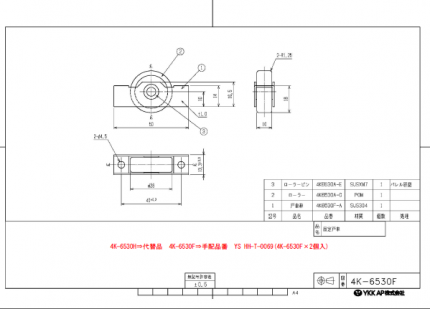
写真の雨戸 戸車は、現物は4K-6530Hの様ですが、もうなくて
代替え品になります。
代替え品の品番は、4K-6530F となります。
texts
毎日の雨戸の開け閉め、違和感を感じましたら・・・戸車の不良などで動きが悪くなっているのかもしれません。
しかし、
製品が古くて、取替え戸車がなければ・・・新しく雨戸を交換することをオススメいたします。
おうちのお悩み事がありましたら・・・
なんなりとご相談ください。見積もりは、無料となっております。
2017年01月13日
ニッカナDCの油が漏れています。油漏れは、DC(ドアクローザー)の寿命となります。大阪府吹田市
大木
simple
お得意先の業者様よりの依頼です。
吹田市垂水町のマンション現場
いつもよくわかる資料を下さり助かります。
ニッカナドアクローザー 油漏れしています、
油漏れは、ドアクローザーの寿命となりますので方法は、交換しか
ありません。〔修理不可)
残念ながら、ニッカナと言う会社の製品が、今は手に入りません。
他の会社で探してみます。
simple
ニュースターと言う会社の ドアクローザーカタログから探してみます。
simple
現行付いてるドアクローザーは、ストップ付です。
同じ様 新しくするドアクローザーもストップ付で探します。
代替えできそうな製品を、探しました
ニュースター PS-7004 シルバーにて 見積もりを提出いたします。
texts
ドアがゆっくり閉まるはずの、ドアクローザーが付いてるのに、ドアがバタンと閉まる。
本体から油がにじみ出てきてるなどなど・・・
ケガをしたら大変です。
不具合が出てきましたら、お見積りは無料となっております。お問い合わせくださいませ。
2017年01月12日
セイキ販売様より 新製品が出ます!営業マン様がサンプルを見せてくださいました。吹田市
大木
simple
新製品がでます!と セイキ販売の営業マン様が見本を持って説明に来てくださいました。
興味深々の当社の営業マン。説明をじっくり聞いてます。セイキ販売様は、収納網戸をはじめ、アイデアいっぱいの製品がたくさんあります
お客様にまた、提案させて頂きます。こちらも日々勉強です
texts
また、新製品が発売しましたら ご案内させて頂きますね。
手に持って見ている物は・・・何かしら??
網戸のお掃除・網交換の革命
です。
お楽しみに!
2017年01月12日
ニュースターのフロアーヒンジ 交換。テンパドア(強化ガラスドア用)大阪府吹田市
大木
simple
吹田市現場 テンパドア(強化硝子ドア)用
フロアーヒンジです。
営業マンが下見をしてきました資料をもとに、
見積りの準備をしていきます。
simple
店舗入口・習い事教室にお使いのテンパドア(強化硝子ドア)。
子供様の出入りもありますので・・・FH(フロアーヒンジ)が故障してるので、危険なので交換のご依頼をいただきました。
simple
ニュースター フロアヒンジ 品番ES-1300
texts
箱型が床に埋め込まれているが、フロアーヒンジと言う物です。
ドアがゆっくり閉まる機能が付いています。
調子が悪いなぁ~と感じられましたら、ご相談ください。お見積りは、無料となっております。
製品調べ・取り寄せ・工事までには日数がかかります。
2017年01月11日
TOEXシャレオR3型門扉 フランス落し交換見積依頼頂きました。大阪府吹田市
大木
simple
TOEXシャレオR3型門扉 フランス落し交換の
見積依頼頂きました。
大阪府吹田市現場
simple
TOEXブランド 補修部品カタログ2016-2017 最新版より
探してみます。
写真にシャレオR3型門扉のシールが貼ってあります。
写真より ブロンズ系の門扉です。
情報が揃っていますと、大変探しやすいです。
simple
商品が、確定できました。
品番は、KCW51
品番がわかりましたので、見積りを 提出いたします。
決まりますよーに
texts
お悩み事がございましたら・・・
見積は、無料となっております。お気軽にお問い合わせくださいませ。
2017年01月10日
LIXILリビング建材 室内引戸枠側のブレーキを探しています。大阪府吹田市
大木
simple
LIXIL 室内引戸の部品が壊れました。
10年位前の製品です。まだ、手に入りますか?
とお問い合わせがありました。
現場の写真がありますので、調べて見ましたら。
ウッディーラインシリーズ(室内ドア・建具等)
2003年9月10日製造の製品と言うことがわかりました。
simple
調べて見たところ。
この部品は、枠側ブレーキ部品でした。
品番は、MDQ738です。
texts
LIXIL(旧トステム)様の製品など 部品破損でお困り事は、なんでもご相談くださいませ。
お見積もりは無料となっております。
2017年01月07日
三協アルミ 和奏30(わかな30)玄関引戸錠 探しています。大阪府摂津市
大木
simple
三協アルミ
和奏3
0(わかな30)と言
うシリーズの玄関引違戸2枚引きです。
両端・真ん中で室内から戸締りできる、三点締まいですが、今回は室内側からの端の戸先部分は、外からは閉めれないタイプなので、真ん中、出入りする戸先側の錠の交換の依頼がありました。
simple
三協アルミ 和奏30(わかな30)
玄関引戸錠 召し合せ錠です。
texts
召し合せ錠 品番:WD5256
引戸用錠(戸先錠本体) 品番:WD5254
引戸用錠セット(戸先錠シリンダー付き・召し合せ錠シリンダー錠) 品番:WD5253
上記の写真の取替えに、必要な品番です。
玄関引戸錠は、同一キー(キー1本で開ける事が出来る)でないとキーを2本持つことになると不便ですよね。
どちらかの錠が悪くなっても、両方同一キーで交換することをお勧め致します。
鍵のお悩み事は、御相談ください。見積もりは、無料となっております。
2017年01月06日
木製建具 初荷。2017年新しい建具に交換されます。大阪府吹田市
大木
texts
新年あけましておめでとうございます。
本年もよろしくお願いいたします。
simple
新年を新しい建具で!とお考えだったお客様の
建具が入荷してきました。
simple
板目の横目使い・・・
simple
入荷した建具は、運び込み工事日まで建具置場にて保管いたします。
simple
傷をつけない様に 慎重に並べます。
texts
木製建具は、すべてオーダーです。製作にも日数がかかります。
建具を新しくしてみたいわぁ~とお考えの皆さま・・・
見積は無料となっております。お問い合わせ下さいませ。
2016年12月27日
食器棚の硝子引戸が割れました。同じ物作れますか?大阪府吹田市
大木
simple
simple
吹田市泉町にお住いのお客様が持ち込みくださった割れてしまった食器棚の硝子引戸です。
硝子・厚みは、透明硝子 3㎜
木の引手が付いています。
うまく外せましたら、同じ様に取付けれますが、万が一折れた時は、硝子に彫り込み引手加工にてお客様に了解を頂きました。
texts
年末でお急ぎとの事、硝子加工工場にはもう年内には間に合わず出せません。
当社で製作の場合は、四方荒スリ加工になります。
硝子のお悩み事は、なんでもご相談くださいませ。見積もりは無料です。
2016年12月26日
YKK通風勝手口ドアの鍵交換できますか?大阪府吹田市
大木
simple
YKK通風勝手口ドア 1ロックタイプです。
鍵を交換したいのですが・・・まだ、交換可能でしょうか?とお問い合わがありました。
simple
YKK勝手口通風ドアのフロント部分。
こちらは、必ずチェックしてください。
simple
フロント部分に ミワ LZ と刻印がありますと
お客様からの情報です。
サイズも記入してくださってます。
助かります。
simple
YKK勝手口通風ドア 2KD-TF2タイプ
1995年から1998年に販売の商品でした。
simple
鍵の姿図です。サイズもチェックします。
YSHH-J0396-U9 のシリンダー+箱錠セットにて見積もりを提出致します。
決まりますよーに
2016年12月22日
YKK 玄関引戸の鍵を交換したい。できますか? 大阪府大阪市
大木
simple
玄関引戸の全体の姿図です。
simple
鍵の形は このようなデザインです。
simple
この四角い横長のカギ・・・特徴的なデザインです。
simple
フロント部分には、ミワ YSL92Sの刻印がありました。
simple
横長の四角いカギのデザインは、このYKK玄関引戸Aya(あや)しかありませんでした。
なので、Aya(あや)で間違いなさそうです。
simple
YKK玄関引戸Aya(あや)図面です。
しかし、念には、念をいれて・・・
図面をみて、サイズもチェックいたします。
simple
simple
錠交換セット Q1-HH-DHl-101 でした。
納期を確認しましたが、1ヶ月以上かかるようです。
古い商品の鍵の交換は、製品取り寄せに時間がかかります。
※時間がかかる事も 見積もりに明記いたします。
texts
鍵の事でお悩み事がございましたら、ご相談くださいませ。
見積もりは、無料となっております。
2016年12月21日
框ドア用握り玉を探しています。框ドアメーカーは、不明です。大阪府吹田市
大木
simple
お客様より、握り玉錠の調子が悪い。とお電話を頂き営業マンが下見しましたところ・・・
框ドアの握り玉でした。ドアのメーカーは、わかりませんでした。昔の框ドアの様です。
フロントには、ゴールの刻印がありました。
バックセット81㎜。扉厚25㎜。フロントサイズ25×135 ビスピッチ111㎜情報は、写真とサイズのみです。
探してみます。
simple
サッシメーカーさんの鍵などカタログを1冊にまとめてある
頼りになるカタログです。
金物メーカー様でも、サッシの鍵は、サッシルートからの取り寄せになりますので、このカタログは手放せません。
simple
ゴール製の握り玉錠。
サイズも、バックセット83㎜・フロントサイズ136㎜×25.5㎜・
ビルピッチ110㎜・ドア厚25~33㎜。
メーカーは、三井軽金属加工と書いてあります。
texts
この握り玉で、見積もりをお出します。
鍵のお悩み事は、なんでもご相談下さい。お見積りは、無料になっております。
< 前へ
31
32
33
34
35
36
37
38
39
40
41
次へ >
2026年も先進的窓リノベ事業の補助金が決定しております!窓の断熱工事がお得にできます!!
玄関ドアを取り換えてリモコンやスマホで鍵の開け閉めができる便利なドアにしたい!YKK APドアリモ
豊中市 ☆ルーバー窓を断熱サッシへ取替☆
吹田市 ☆玄関ドア取替で防犯性アップ☆
吹田市 電気代高騰時代に選ばれる”賢いリフォーム”内窓設置とは?
吹田市 冬暖かく、夏涼しい家へ。内窓設置工事が選ばれる理由♪
玄関ドアの鍵も顔認証で開け閉めできる時代です!YKK APドアリモ 顔認証システム
吹田市 ☆玄関の寒さを解消したい☆
吹田市 ☆YKKAPの内窓は「プラマードU」から「ウチリモ」に変わります☆
吹田市 ☆エアコン効率・冷暖房の効きをよくしたい☆
2026年2月(6)
2026年1月(5)
2025年12月(4)
2025年11月(6)
2025年10月(5)
2025年9月(9)
2025年8月(9)
2025年7月(9)
2025年6月(8)
2025年5月(8)
2025年4月(7)
2025年3月(8)
2025年2月(10)
2025年1月(11)
2024年12月(13)
2024年11月(12)
2024年10月(12)
2024年9月(12)
2024年8月(12)
2024年7月(13)
2024年6月(18)
2024年5月(16)
2024年4月(9)
2024年3月(16)
電話で問い合わせ
メールで問い合わせ