リフォームメニュー
お客様の声
施工事例
リフォームの流れ
企業情報
スタッフ紹介
スタッフブログ
住まいのお悩み解決策
お問い合わせ
よくある質問
プライバシーポリシー
採用情報
サイトマップ
CLOSE
玄関ドア ゴールADシリンダー交換 両面シリンダーが希望です。大阪府吹田市|
吹田市・豊中市|玄関・窓リフォーム・内窓取付|井上昇商店|
ホーム
スタッフブログ
大木
玄関ドア ゴールADシリンダー交換 両面シリンダーが希望です。大阪府吹田市
ホーム
新着情報
ご対応エリア
MENU
リフォームメニュー
お客様の声
施工事例
玄関・勝手口
内窓
インテリア
サッシカバー工事
雨戸・シャッター
エクステリア
木製建具
網戸
屋根工事
その他の工事
リフォームの流れ
企業情報
スタッフ紹介
スタッフブログ
採用情報
玄関ドア ゴールADシリンダー交換 両面シリンダーが希望です。大阪府吹田市
headlines
byline
玄関ドアシリンダー交換
simple
アルコック製の玄関ドアです。
アルコック様に電話で問い合わせしました所・・・
10年前に玄関ドアの取り扱いをやめています。とのお返事をいただきました。
ゴールADシリンダーが付いています。
simple
simple
ゴールの玄関玄関錠 AD錠が取付けてありました。
simple
simple
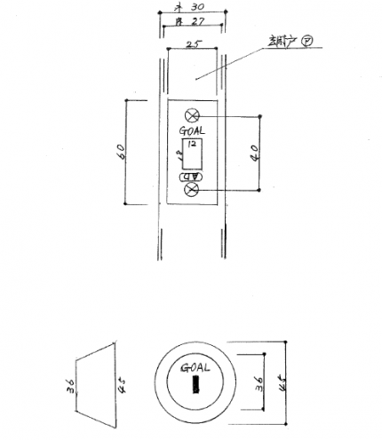
現物の錠の採寸メモです。
simple
ゴールのカタログより
AD錠の寸法をチェックします。
simple
お客様のお望みは、両面シリンダー錠に交換したい!でした。
ゴール ADの両面シリンダー錠がありました。
両面シリンダーにて、お見積りを提出いたします。
texts
おうちのお悩み事がございましたら、ご相談くださいませ。
お見積りは無料となっております。
【2026年版】先進的窓リノベ補助金を120%活用する完全ガイド
結露・寒さにさよなら!プロが教える先進的窓リノベ術
吹田市 ☆玄関の最新防犯機能☆
豊中市 ☆窓は1日でカンタンにリフォームできる時代☆
吹田市 ☆先進的窓リノベ2026事業☆
洗濯物干しのストレスを少しでも解消したい!YKK APソラリア テラス屋根
吹田市 ☆ペットの鳴き声トラブル予防策☆
玄関ドアは1日でお取替えできます!YKK APドアリモ 玄関ドア カバー工事
豊中市 ☆外部の視線が気になる…そんなお悩みを解決するYKKAP製品のご紹介☆
吹田市 ☆YKKAP製品で住まいの防犯対策☆
2026年4月(8)
2026年3月(6)
2026年2月(6)
2026年1月(5)
2025年12月(4)
2025年11月(6)
2025年10月(5)
2025年9月(9)
2025年8月(9)
2025年7月(9)
2025年6月(8)
2025年5月(8)
2025年4月(7)
2025年3月(8)
2025年2月(10)
2025年1月(11)
2024年12月(13)
2024年11月(12)
2024年10月(12)
2024年9月(12)
2024年8月(12)
2024年7月(13)
2024年6月(18)
2024年5月(16)
電話で問い合わせ
メールで問い合わせ